提供
优质板材及相关产品的综合服务 ·
专注
板材行业
13666398622
15216536658
网站首页
关于我们
产品中心
应用领域
车间设备
证书资质
在线留言
联系我们
您的位置:
首页
>>
证书资质
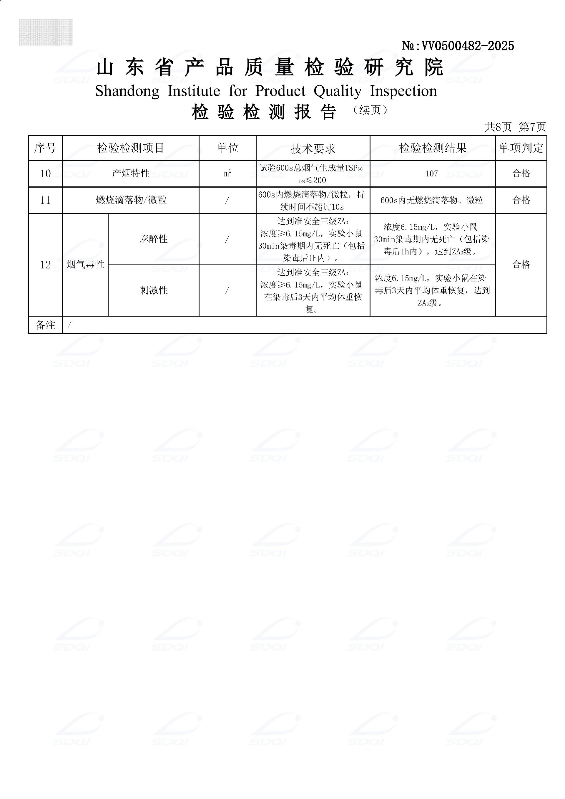
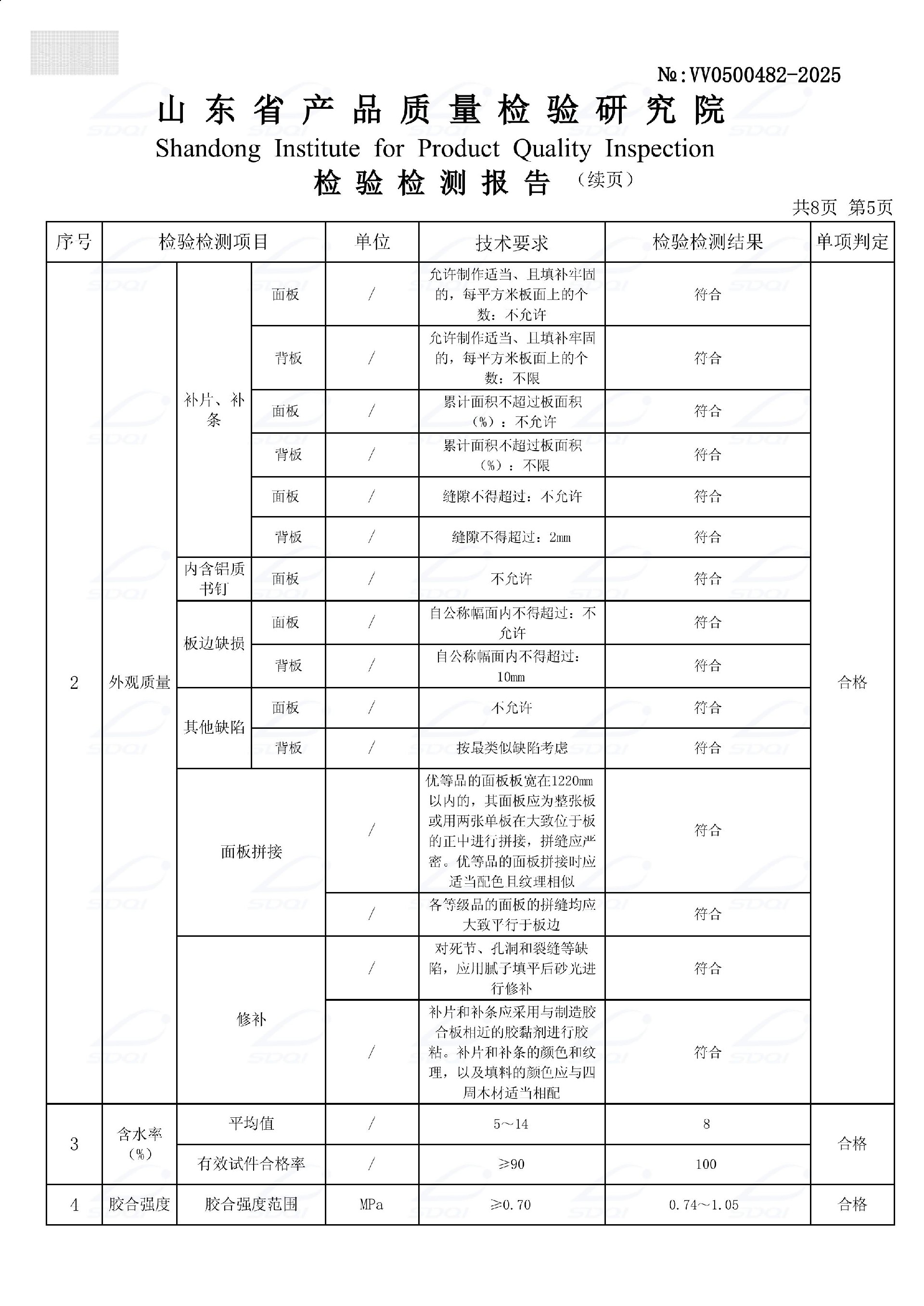
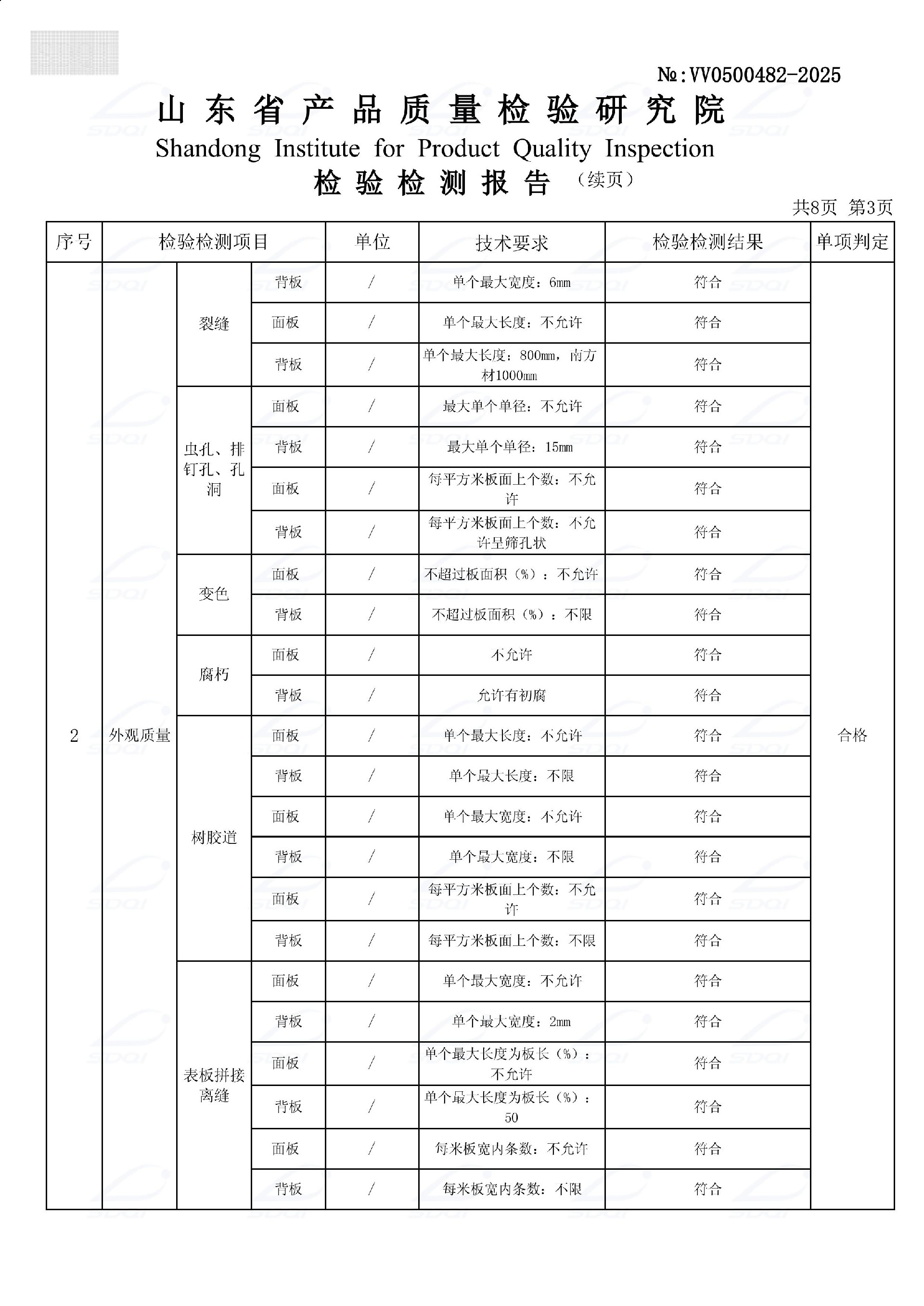
难燃胶合板检验检测报告
发布日期:2025-08-10
查看详情 +
上一条
国家防火建筑材料质量检验检测中心(NFTC)检测报告
查看详情 +
下一条
难燃胶合板检验检测报告
返回列表
关于我们
产品中心
应用领域
车间设备
证书资质
在线留言
联系我们
费县恒科板材厂
联系方式
邮箱:513490517@QQ.COM
地址:山东省临沂市费县探沂镇张家村
13666398622
15216536658
客服微信
Copyright © 恒科板材 免责声明:本站部分资料来源网络如有侵权请联系客服删除!
鲁ICP备2025183297号-1
XML地图
QQ咨询
咨询电话
13666398622
15216536658
返回顶部
电话
短信
返回顶部